
0 Корзина
Код товара: t169915
| Артикул | 9514802152 |
| Код производителя | 2202 |
| Производитель | Blue Sea |
| Страна производитель | США |
| Длина, мм | 79.4 |
| Ширина, мм | 32 |
| Высота, мм | 51 |
| Цвет | Красный |
| Расстояние между отверстиями, мм | 33,3 |
| Вес, кг | 0.14 |
| Класс защиты | IP66 (выдерживает воздействие воды при сильном волнении) |
| Резьба | 5/16"-18 |
| Подходит | Для прокладки сильноточных кабелей через корпуса, палубы и переборки |
| Тип | Клеммная колодка для монтажа через переборку |
| Напряжение, В | 48 |
| Сила тока, А | 250 |
| Диаметр шпильки, мм | 7.94 |
| Максимальный крутящий момент, Нм | 11,3 |
| Материал | Медь, Термопластик |
| Код поставщика | 9514802152/ 169915/ 2202-BSS/ BS2202-137806839-nit |
Колодка клеммная Blue Sea 2202 предотвращает заедание и снижает нагрузку при прохождении сильного тока через корпуса, палубы и переборки. Идеально подходит для прокладки сильноточных кабелей через корпуса, палубы и переборки.
Крупные кабели, проходящие через отверстия, могут перетираться, даже если используется защитная втулка. Проходные клеммные соединители исключают перетирание и обеспечивают превосходную защиту кабеля от натяжения.
Клеммы большого размера имеют монтажную поверхность, которую можно уплотнить прокладкой или залить бетоном для обеспечения герметичности.
Технические характеристики колодки клеммной Blue Sea 2202:
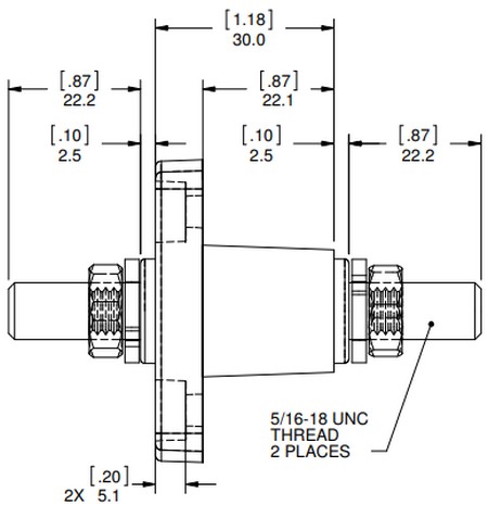
Технический чертеж колодки клеммной Blue Sea 2202:

Технические характеристики товара могут отличаться от указанных на сайте, уточняйте технические характеристики товара на момент покупки и оплаты.
Комплектация товара может отличаться от указанной на заглавной фотографии, уточняйте комплектацию на момент покупки и оплаты.
Вся информация на сайте о товарах носит справочный характер и не является публичной офертой в соответствии с пунктом 2 статьи 437 ГК РФ.
Убедительно просим вас при покупке проверять наличие желаемых функций и характеристик.
| Чертёж шпилек клеммных проходных Blue Sea 2201, 2202 |
Вы можете задать любой интересующий вас вопрос по товару или работе магазина. Наши квалифицированные специалисты обязательно вам помогут.
Колодка клеммная Blue Sea 2202 48В 250А Ø7,9мм IP66 из медного сплава и армированного термопласта красная для монтажа через переборку
Текущая цена: 5 359








Колодка клеммная Blue Sea 2202 48В 250А Ø7,9мм IP66 из медного сплава и армированного термопласта красная для монтажа через переборку
Код товара: t169915